Подшипник 92109EMШ1

Подшипник 92109EMШ1

Технические характеристики

Обозначение : 92109EMШ1

Производитель : EPK

Диаметр внутренний, мм : 45

Диаметр наружный, мм : 75

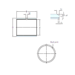
Технические данные из каталога производителя :

Внутренний диаметр (d) - 45 мм.

Внутренний диаметр (F) - 52,5 мм.

Наружный диаметр (D) - 75 мм.

Ширина (высота) (B) - 12,5 мм.

Ширина наружной обоймы (C) - 16 мм.

Размер (d1) - 55,8 мм.

Размер (r1 min.) - 1 мм.

Размер (r2 min.) - 1 мм.

Размер (r3 min.) - 1 мм.

Размер (r4 min.) - 1 мм.

Размер (D1) - 64,1 мм.

Масса - 0,269 Кг

Грузоподъемность динамическая (C) - 38,1 кН

Грузоподъемность статическая (C0) - 43,9 кН

Частота вращения предельная при пластичной смазке - 8000 об/мин

Частота вращения предельная при жидкой смазке - 10000 об/мин

Количество дорожек качения - 1

Уплотнение - Нет

Цены указаны ознакомительные, для уточнения цены и наличия просим связаться с нами по телефону, или отправить заявку на почту - sales@specprompodshipnik.ru или по тел.: +7(499) 369-70-54

Возврат к списку