Подшипник 904902У

Подшипник 904902У

Технические характеристики

Обозначение : 904902У

Производитель : МПЗ

Диаметр внутренний, мм : 14,723

Диаметр наружный, мм : 23,84

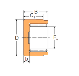
Технические данные из каталога производителя :

Внутренний диаметр (Fw) - 14,723 мм.

Наружный диаметр (D) - 23,84 мм.

Ширина (высота) (B) - 13,1 мм.

Размер (b) - 2,04 мм.

Размер (D1) - 10,1 мм.

Размер (C2) - 0,026

Грузоподъемность динамическая (C) - 15 кН

Грузоподъемность статическая (C0) - 19 кН

Количество дорожек качения - 1

Уплотнение - Нет

Цены указаны ознакомительные, для уточнения цены и наличия просим связаться с нами по телефону, или отправить заявку на почту - sales@specprompodshipnik.ru или по тел.: +7(499) 369-70-54

Возврат к списку