Подшипник 862714

Подшипник 862714

Технические характеристики

Обозначение : 862714

Производитель : EPK

Диаметр внутренний, мм : 70

Диаметр наружный, мм : 190

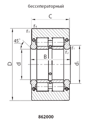
Технические данные из каталога производителя :

Внутренний диаметр (d) - 70 мм.

Наружный диаметр (D) - 190 мм.

Ширина (высота) (B) - 85 мм.

Ширина наружной обоймы (C) - 83 мм.

Размер (d1) - 95 мм.

Размер (r1 min.) - 2,5 мм.

Размер (r2 min.) - 2,5 мм.

Размер (r3 min.) - 3,0 мм.

Размер (r4 min.) - 3,0 мм.

Масса - 13,615 Кг

Грузоподъемность динамическая (C) - 358 кН

Грузоподъемность статическая (C0) - 526 кН

Количество дорожек качения - 2

Уплотнение - Нет

Цены указаны ознакомительные, для уточнения цены и наличия просим связаться с нами по телефону, или отправить заявку на почту - sales@specprompodshipnik.ru или по тел.: +7(499) 369-70-54

Возврат к списку