Подшипник 862710

Подшипник 862710

Технические характеристики

Обозначение : 862710

Производитель : EPK

Диаметр внутренний, мм : 50

Диаметр наружный, мм : 130

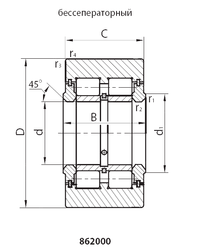
Технические данные из каталога производителя :

Внутренний диаметр (d) - 50 мм.

Наружный диаметр (D) - 130 мм.

Ширина (высота) (B) - 65,06 мм.

Ширина наружной обоймы (C) - 63 мм.

Размер (d1) - 66 мм.

Размер (r1 min.) - 0,5 мм.

Размер (r2 min.) - 0,5 мм.

Размер (r3 min.) - 2,3 мм.

Размер (r4 min.) - 2,3 мм.

Масса - 5,287 Кг

Грузоподъемность динамическая (C) - 220 кН

Грузоподъемность статическая (C0) - 292 кН

Количество дорожек качения - 2

Уплотнение - Нет

Цены указаны ознакомительные, для уточнения цены и наличия просим связаться с нами по телефону, или отправить заявку на почту - sales@specprompodshipnik.ru или по тел.: +7(499) 369-70-54

Возврат к списку