Подшипник 804709А2

Подшипник 804709А2

Технические характеристики

Обозначение : 804709А2

Производитель : МПЗ

Диаметр внутренний, мм : 45

Диаметр наружный, мм : 62

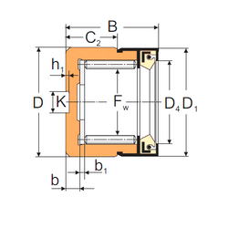
Технические данные из каталога производителя :

Внутренний диаметр (Fw) - 45 мм.

Наружный диаметр (D) - 62 мм.

Ширина (высота) (B) - 37 мм.

Размер (Dn) - 52

Размер (K) - 9

Размер (b) - 4 мм.

Размер (b1) - 2,02 мм.

Размер (h1) - 1,5 мм.

Размер (D1) - 21,5 мм.

Размер (D2) - 61,3 мм.

Размер (C2) - 0,34

Грузоподъемность динамическая (C) - 62 кН

Грузоподъемность статическая (C0) - 122 кН

Количество дорожек качения - 1

Уплотнение - Есть

Цены указаны ознакомительные, для уточнения цены и наличия просим связаться с нами по телефону, или отправить заявку на почту - sales@specprompodshipnik.ru или по тел.: +7(499) 369-70-54

Возврат к списку