Подшипник 804707А

Подшипник 804707А

Технические характеристики

Обозначение : 804707А

Производитель : МПЗ

Диаметр внутренний, мм : 33,635

Диаметр наружный, мм : 50

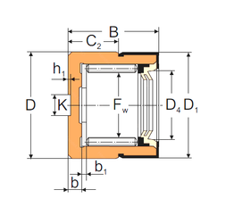
Технические данные из каталога производителя :

Внутренний диаметр (Fw) - 33,635 мм.

Наружный диаметр (D) - 50 мм.

Ширина (высота) (B) - 37 мм.

Размер (Dn) - 37,5

Размер (K) - 9

Размер (b) - 4 мм.

Размер (b1) - 2,02 мм.

Размер (h1) - 1,5 мм.

Размер (D1) - 30,6 мм.

Размер (D2) - 49,35 мм.

Размер (C2) - 0,31

Грузоподъемность динамическая (C) - 60 кН

Грузоподъемность статическая (C0) - 104 кН

Количество дорожек качения - 1

Уплотнение - Есть

Цены указаны ознакомительные, для уточнения цены и наличия просим связаться с нами по телефону, или отправить заявку на почту - sales@specprompodshipnik.ru или по тел.: +7(499) 369-70-54

Возврат к списку