Подшипник 804704К1

Подшипник 804704К1

Технические характеристики

Обозначение : 804704К1

Производитель : МПЗ

Диаметр внутренний, мм : 22

Диаметр наружный, мм : 35

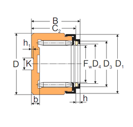
Технические данные из каталога производителя :

Внутренний диаметр (Fw) - 22 мм.

Наружный диаметр (D) - 35 мм.

Ширина (высота) (B) - 26,5 мм.

Размер (Dn) - 23,25

Размер (K) - 10

Размер (b) - 4 мм.

Размер (h) - 3,4 мм.

Размер (h1) - 1,6 мм.

Размер (D1) - 15,9 мм.

Размер (D2) - 34,79 мм.

Размер (D4) - 27 мм.

Размер (C2) - 0,099

Грузоподъемность динамическая (C) - 27 кН

Грузоподъемность статическая (C0) - 41 кН

Количество дорожек качения - 1

Уплотнение - Есть

Цены указаны ознакомительные, для уточнения цены и наличия просим связаться с нами по телефону, или отправить заявку на почту - sales@specprompodshipnik.ru или по тел.: +7(499) 369-70-54

Возврат к списку