Подшипник 704902У1

Подшипник 704902У1

Технические характеристики

Обозначение : 704902У1

Производитель : МПЗ

Диаметр внутренний, мм : 15,235

Диаметр наружный, мм : 28

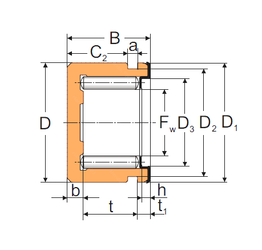
Технические данные из каталога производителя :

Внутренний диаметр (Fw) - 15,235 мм.

Наружный диаметр (D) - 28 мм.

Ширина (высота) (B) - 20 мм.

Размер (a) - 4,3 мм.

Размер (b) - 4,45 мм.

Размер (h) - 3 мм.

Размер (h1) - 3,35 мм.

Размер (D1) - 12,45 мм.

Размер (D2) - 27,9 мм.

Размер (D3) - 25,3 мм.

Размер (D4) - 19,3 мм.

Размер (T) - 11

Размер (C2) - 0,056

Грузоподъемность динамическая (C) - 17 кН

Грузоподъемность статическая (C0) - 22 кН

Количество дорожек качения - 1

Уплотнение - Есть

Цены указаны ознакомительные, для уточнения цены и наличия просим связаться с нами по телефону, или отправить заявку на почту - sales@specprompodshipnik.ru или по тел.: +7(499) 369-70-54

Возврат к списку