Подшипник 704702К5

Подшипник 704702К5

Технические характеристики

Обозначение : 704702К5

Производитель : МПЗ

Диаметр внутренний, мм : 16,305

Диаметр наружный, мм : 30

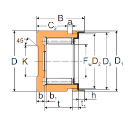
Технические данные из каталога производителя :

Внутренний диаметр (Fw) - 16,305 мм.

Наружный диаметр (D) - 30 мм.

Ширина (высота) (B) - 25,1 мм.

Размер (T1) - 4,5

Размер (K) - 18

Размер (a) - 3 мм.

Размер (b) - 4,1 мм.

Размер (b1) - 1,02 мм.

Размер (h) - 4 мм.

Размер (h1) - 0,9 мм.

Размер (D1) - 13,6 мм.

Размер (D2) - 30 мм.

Размер (D3) - 27,2 мм.

Размер (D4) - 27,6 мм.

Размер (C2) - 0,074

Грузоподъемность динамическая (C) - 16 кН

Грузоподъемность статическая (C0) - 25 кН

Количество дорожек качения - 1

Уплотнение - Есть

Цены указаны ознакомительные, для уточнения цены и наличия просим связаться с нами по телефону, или отправить заявку на почту - sales@specprompodshipnik.ru или по тел.: +7(499) 369-70-54

Возврат к списку