Подшипник 62420

Подшипник 62420

Технические характеристики

Обозначение : 62420

Производитель : ГОСТ

Диаметр внутренний, мм : 100

Диаметр наружный, мм : 250

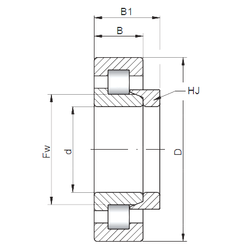
Технические данные из каталога производителя :

Внутренний диаметр (d) - 100 мм.

Наружный диаметр (D) - 250 мм.

Ширина (высота) (B) - 58 мм.

Ширина внутренней обоймы (B1) - 74 мм.

Ширина наружной обоймы (C) - 58 мм.

Размер (r) - 5 мм.

Масса - 14 Кг

Количество дорожек качения - 1

Уплотнение - Нет

Цены указаны ознакомительные, для уточнения цены и наличия просим связаться с нами по телефону, или отправить заявку на почту - sales@specprompodshipnik.ru или по тел.: +7(499) 369-70-54

Возврат к списку