Подшипник 62326

Подшипник 62326

Технические характеристики

Обозначение : 62326

Производитель : ГОСТ

Диаметр внутренний, мм : 130

Диаметр наружный, мм : 280

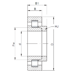
Технические данные из каталога производителя :

Внутренний диаметр (d) - 130 мм.

Наружный диаметр (D) - 280 мм.

Ширина (высота) (B) - 58 мм.

Ширина внутренней обоймы (B1) - 72 мм.

Ширина наружной обоймы (C) - 58 мм.

Размер (r) - 5 мм.

Масса - 16,5 Кг

Количество дорожек качения - 1

Уплотнение - Нет

Цены указаны ознакомительные, для уточнения цены и наличия просим связаться с нами по телефону, или отправить заявку на почту - sales@specprompodshipnik.ru или по тел.: +7(499) 369-70-54

Возврат к списку