Подшипник 612517

Подшипник 612517

Технические характеристики

Обозначение : 612517

Производитель : EPK

Диаметр внутренний, мм : 85

Диаметр наружный, мм : 150

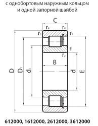
Технические данные из каталога производителя :

Внутренний диаметр (d) - 85 мм.

Наружный диаметр (D) - 150 мм.

Наружный диаметр (E) - 133 мм.

Ширина (высота) (B) - 36 мм.

Ширина наружной обоймы (C) - 36 мм.

Размер (d1) - 104,5 мм.

Размер (r1 min.) - 2,0 мм.

Размер (r2 min.) - 2,0 мм.

Размер (r3 min.) - 2,0 мм.

Размер (r4 min.) - 2,0 мм.

Размер (D1) - 126 мм.

Масса - 2,730 Кг

Грузоподъемность динамическая (C) - 244000 кН

Грузоподъемность статическая (C0) - 325000 кН

Частота вращения предельная при пластичной смазке - 900 об/мин

Частота вращения предельная при жидкой смазке - 1800 об/мин

Количество дорожек качения - 1

Уплотнение - Нет

Цены указаны ознакомительные, для уточнения цены и наличия просим связаться с нами по телефону, или отправить заявку на почту - sales@specprompodshipnik.ru или по тел.: +7(499) 369-70-54

Возврат к списку