Подшипник 502311

Подшипник 502311

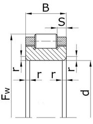
Технические характеристики

Номер (по ГОСТ) : 502311

Размеры, мм : 55x104,5x29

Fw - внутренний диаметр, мм : 55

D - наружный диаметр, мм : 104,5

B - ширина, мм : 29

S - ширина бортика, мм : 6

r - размер монтажной фаски, мм : 3

Масса, кг : 0,82

Цены указаны ознакомительные, для уточнения цены и наличия просим связаться с нами по телефону, или отправить заявку на почту - sales@specprompodshipnik.ru или по тел.: +7(499) 369-70-54

Возврат к списку