Подшипник 502210

Подшипник 502210

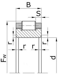
Технические характеристики

Номер (по ГОСТ) : 502210

Размеры, мм : 50x80,4x20

Импортный аналог : RN210

Fw - внутренний диаметр, мм : 50

D - наружный диаметр, мм : 80,4

B - ширина, мм : 20

S - ширина бортика, мм : 5

r - размер монтажной фаски, мм : 2

Масса, кг : 0,29

Цены указаны ознакомительные, для уточнения цены и наличия просим связаться с нами по телефону, или отправить заявку на почту - sales@specprompodshipnik.ru или по тел.: +7(499) 369-70-54

Возврат к списку