Подшипник 502210 КМ

Подшипник 502210 КМ

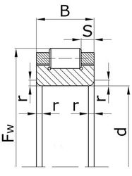
Технические характеристики

Номер (по ГОСТ) : 502210 КМ

Размеры, мм : 50x80.4x20

d - диаметр внутренний, мм : 50

D - диаметр внешний, мм : 80,4

B/c - высота, мм : 20

Масса, кг : 0,319

Производитель : ГПЗ-3

Цены указаны ознакомительные, для уточнения цены и наличия просим связаться с нами по телефону, или отправить заявку на почту - sales@specprompodshipnik.ru или по тел.: +7(499) 369-70-54

Возврат к списку