Подшипник 502207

Подшипник 502207

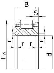
Технические характеристики

Номер (по ГОСТ) : 502207

Размеры, мм : 35x61,8x17

Импортный аналог : RN207

Fw - внутренний диаметр, мм : 35

D - наружный диаметр, мм : 61,8

B - ширина, мм : 17

S - ширина бортика, мм : 4

r - размер монтажной фаски, мм : 2

Масса, кг : 0,16

Цены указаны ознакомительные, для уточнения цены и наличия просим связаться с нами по телефону, или отправить заявку на почту - sales@specprompodshipnik.ru или по тел.: +7(499) 369-70-54

Возврат к списку