Подшипник 502207 ЛМ*

Подшипник 502207 ЛМ*

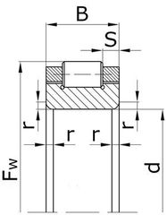
Технические характеристики

Номер (по ГОСТ) : 502207 ЛМ*

Размеры, мм : 35x61.8x17

d - диаметр внутренний, мм : 35

D - диаметр внешний, мм : 61,8

B/c - высота, мм : 17

Масса, кг : 0,21

Цены указаны ознакомительные, для уточнения цены и наличия просим связаться с нами по телефону, или отправить заявку на почту - sales@specprompodshipnik.ru или по тел.: +7(499) 369-70-54

Возврат к списку