Подшипник 502206

Подшипник 502206

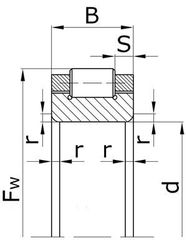
Технические характеристики

Номер (по ГОСТ) : 502206

Размеры, мм : 30x53,5x16

Fw - внутренний диаметр, мм : 30

D - наружный диаметр, мм : 53,5

B - ширина, мм : 16

S - ширина бортика, мм : 4,25

r - размер монтажной фаски, мм : 1,5

Масса, кг : 0,1

Цены указаны ознакомительные, для уточнения цены и наличия просим связаться с нами по телефону, или отправить заявку на почту - sales@specprompodshipnik.ru или по тел.: +7(499) 369-70-54

Возврат к списку