Подшипник 502104

Подшипник 502104

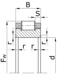
Технические характеристики

Номер (по ГОСТ) : 502104

Размеры, мм : 20x36,5x12

Fw - внутренний диаметр, мм : 20

D - наружный диаметр, мм : 36,5

B - ширина, мм : 12

S - ширина бортика, мм : 3,25

r - размер монтажной фаски, мм : 1

Масса, кг : 0,055

Цены указаны ознакомительные, для уточнения цены и наличия просим связаться с нами по телефону, или отправить заявку на почту - sales@specprompodshipnik.ru или по тел.: +7(499) 369-70-54

Возврат к списку