Подшипник 113624АМН

Подшипники роликовые радиальные сферические
Подшипник 113624АМН

Технические характеристики

Обозначение : 113624АМН

Производитель : МПЗ

Диаметр внутренний, мм : 120

Диаметр наружный, мм : 260

Технические данные из каталога производителя :

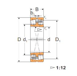
Внутренний диаметр (d) - 120 мм.

Наружный диаметр (D) - 260 мм.

Ширина (высота) (B) - 86 мм.

Ширина наружной обоймы (C) - 86 мм.

Размер (b1) - 14 мм.

Размер (d1) - 158 мм.

Размер (r5 min.) - 3 мм.

Размер (D1) - 218,5 мм.

Масса - 22,64 Кг

Грузоподъемность динамическая (C) - 864 кН

Грузоподъемность статическая (C0) - 1094 кН

Частота вращения предельная при пластичной смазке - 1400 об/мин

Частота вращения предельная при жидкой смазке - 1800 об/мин

Расчетный коэффициент (e) - 0,37

Расчетный коэффициент (Y0) - 1,78

Расчетный коэффициент (Y1) - 1,82

Расчетный коэффициент (Y2) - 2,71

Количество дорожек качения - 2

Уплотнение - Нет

Цены указаны ознакомительные, для уточнения цены и наличия просим связаться с нами по телефону, или отправить заявку на почту - sales@specprompodshipnik.ru или по тел.: +7(499) 369-70-54

Возврат к списку