Подшипник 113613АМН

Подшипники роликовые радиальные сферические
Подшипник 113613АМН

Технические характеристики

Обозначение : 113613АМН

Производитель : МПЗ

Диаметр внутренний, мм : 65

Диаметр наружный, мм : 140

Технические данные из каталога производителя :

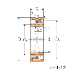
Внутренний диаметр (d) - 65 мм.

Наружный диаметр (D) - 140 мм.

Ширина (высота) (B) - 48 мм.

Ширина наружной обоймы (C) - 48 мм.

Размер (b1) - 8 мм.

Размер (d1) - 87,7 мм.

Размер (r5 min.) - 2,1 мм.

Размер (D1) - 117,6 мм.

Масса - 3,47 Кг

Грузоподъемность динамическая (C) - 265 кН

Грузоподъемность статическая (C0) - 313 кН

Частота вращения предельная при пластичной смазке - 2600 об/мин

Частота вращения предельная при жидкой смазке - 3400 об/мин

Расчетный коэффициент (e) - 0,37

Расчетный коэффициент (Y0) - 1,76

Расчетный коэффициент (Y1) - 1,8

Расчетный коэффициент (Y2) - 2,69

Количество дорожек качения - 2

Уплотнение - Нет

Цены указаны ознакомительные, для уточнения цены и наличия просим связаться с нами по телефону, или отправить заявку на почту - sales@specprompodshipnik.ru или по тел.: +7(499) 369-70-54

Возврат к списку