Подшипник ZARN75155-TV (INA)

Подшипник ZARN75155-TV (INA)

Технические характеристики

Обозначение : ZARN75155-TV

Размеры, мм : 75x155x100

Производитель : INA

Диаметр внутренний, мм : 75

Диаметр наружный, мм : 155

Высота, мм : 100

Технические данные из каталога производителя :

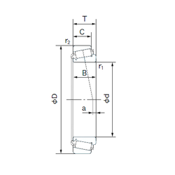
d - 75 mm

D - 155 mm

H - 100 mm

B - 21 mm

C - 30 mm

D1 - 135 mm

Da max - 136 mm / Присоединительные размерыПри использовании радиальных уплотнений вала следует учитывать наружный диаметр уплотнения.

da min - 113 mm / Присоединительные размерыПри использовании радиальных уплотнений вала следует учитывать наружный диаметр уплотнения.

H1 - 65 mm

r1 min - 1 mm

rmin - 0,3 mm

m - 7,9 kg / Вес

Ca - 290000 N / динамическая грузоподъемность, осевая

C0a - 890000 N / статическая грузоподъемность, осевая

Cr - 72000 N / динамическая грузоподъемность, радиальная

C0r - 132000 N / статическая грузоподъемность, радиальная

nG Ol - 2100 1/min / Предельная частота вращения при смазывании маслом (действительна только при достаточном охлаждении масла)

nG Fett - 700 1/min / Предельная частота вращения при консистентной смазке

MRL - 8 Nm / Момент трения подшипника

caL - 6600 N/µm / осевая жесткость

ckL - 8500 Nm/mrad / Жесткость к опрокидыванию

Mm - 149 kg x cm^2 / Момент инерции масс вращающегося внутреннего кольца

- 2 µm / Торцовое биениеДанные о торцовом биении для подшипников опор ходовых винтов относятся к вращающемуся внутреннему кольцу.

- ZMA75/125 / Условное обозначение рекомендуемых шлицевых гаек INA

- AM75 / Условное обозначение рекомендуемых шлицевых гаек INA

MA - 580 Nm / Момент затяжкиДействительно только в сочетании с прецизионными шлицевыми гайками INA

- 76339 N / усилие предварительного осевого натяга

- / Шлицевые гайки в комплект поставки не входят.

двустороннего действия

Цены указаны ознакомительные, для уточнения цены и наличия просим связаться с нами по телефону, или отправить заявку на почту - sales@specprompodshipnik.ru или по тел.: +7(499) 369-70-54

Возврат к списку