Подшипник ZARN4090-TV (INA)

Подшипник ZARN4090-TV (INA)

Технические характеристики

Обозначение : ZARN4090-TV

Размеры, мм : 40x90x75

Производитель : INA

Диаметр внутренний, мм : 40

Диаметр наружный, мм : 90

Высота, мм : 75

Технические данные из каталога производителя :

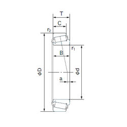
d - 40 mm

D - 90 mm

H - 75 mm

B - 16 mm

C - 25 mm

D1 - 78 mm

Da max - 79 mm / Присоединительные размерыПри использовании радиальных уплотнений вала следует учитывать наружный диаметр уплотнения.

da min - 65 mm / Присоединительные размерыПри использовании радиальных уплотнений вала следует учитывать наружный диаметр уплотнения.

H1 - 50 mm

r1 min - 0,6 mm

rmin - 0,3 mm

m - 2,09 kg / Вес

Ca - 117000 N / динамическая грузоподъемность, осевая

C0a - 315000 N / статическая грузоподъемность, осевая

Cr - 38000 N / динамическая грузоподъемность, радиальная

C0r - 74000 N / статическая грузоподъемность, радиальная

nG Ol - 3700 1/min / Предельная частота вращения при смазывании маслом (действительна только при достаточном охлаждении масла)

nG Fett - 1200 1/min / Предельная частота вращения при консистентной смазке

MRL - 2,5 Nm / Момент трения подшипника

caL - 3800 N/µm / осевая жесткость

ckL - 1800 Nm/mrad / Жесткость к опрокидыванию

Mm - 13,3 kg x cm^2 / Момент инерции масс вращающегося внутреннего кольца

- 1 µm / Торцовое биениеДанные о торцовом биении для подшипников опор ходовых винтов относятся к вращающемуся внутреннему кольцу.

- ZMA40/75 / Условное обозначение рекомендуемых шлицевых гаек INA

- AM40 / Условное обозначение рекомендуемых шлицевых гаек INA

MA - 120 Nm / Момент затяжкиДействительно только в сочетании с прецизионными шлицевыми гайками INA

- 29834 N / усилие предварительного осевого натяга

- / Шлицевые гайки в комплект поставки не входят.

двустороннего действия

Цены указаны ознакомительные, для уточнения цены и наличия просим связаться с нами по телефону, или отправить заявку на почту - sales@specprompodshipnik.ru или по тел.: +7(499) 369-70-54

Возврат к списку