Подшипник SX011824 (INA)

Подшипник SX011824 (INA)

Технические характеристики

Обозначение : SX011824

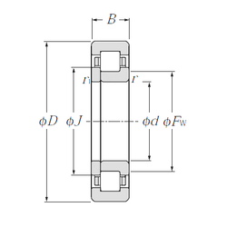
Размеры, мм : 120x150x16

Производитель : INA

Диаметр внутренний, мм : 120

Диаметр наружный, мм : 150

Высота, мм : 16

Технические данные из каталога производителя :

di - 120 mm / Допуск: K6+0,004 / -0,018

Da - 150 mm / Допуск: h6 -0,025

H - 16 mm / монтажная высота подшипниковДопуск: +/-0,12

Di - 135,6 mm

DM - 135 mm

da - 134,4 mm

h - 16 mm / высота отдельного кольцаДопуск: E8 -0,01

rmin - 1 mm

S - 1,5 mm / Смазочное отверстие: 3 отверстия равномерно распределены по окружности

m - 0,8 kg / Вес

- 0,010 mm / точность радиальная

- 0,010 mm / точность осевая

sr min - 0,005 mm / мин. радиальный зазор в подшипнике

sr max - 0,020 mm / макс. радиальный зазор в подшипнике

sk min - 0,010 mm / мин. осевой зазор по опрокидывающему моменту

sk max - 0,04 mm / макс. осевой зазор по опрокидывающему моменту

RLOmax - 0,004 mm / с уменьшенным зазором: радиальный зазор

RLOmax - 0,008 mm / с уменьшенным зазором: предварительный натяг

VSPmin - 0,005 mm / мин. предварительный натяг в подшипнике

VSPmax - 0,020 mm / макс. предварительный натяг в подшипнике

Ca - 38000 N / динамическая грузоподъемность, осевая

C0a - 146000 N / статическая грузоподъемность, осевая

Cr - 27000 N / динамическая грузоподъемность, радиальная(при исключительно радиальной нагрузке)

C0r - 59000 N / статическая грузоподъемность, радиальная(при исключительно радиальной нагрузке)

nG Ol - 1130 1/min / предельная частота вращения при смазывании маслом и нормальном зазоре

nG Fett - 565 1/min / предельная частота вращения при консистентной смазке и нормальном зазоре

nG Ol - 565 1/min / предельная частота вращения при смазывании маслом и предварительном натяге

nG Fett - 280 1/min / предельная частота вращения при консистентной смазке

Размерная серия 18 по DIN 616

Цены указаны ознакомительные, для уточнения цены и наличия просим связаться с нами по телефону, или отправить заявку на почту - sales@specprompodshipnik.ru или по тел.: +7(499) 369-70-54

Возврат к списку